


Aunque los puertos seriales RS-232 son utilizado por la mayoría de los computadores, a causa de su baja velocidad de trasmisión, limitada distancia y tambien limitadas capacidades de operación en red, no es una efectiva solución para los sistemas de comunicación de largas distancias y complicada topología de los ambientes industriales.
En su lugar, los sistemas basados en los estándares RS-485 y RS-422 no están sujetos a dichas limitaciones que mencionamos, permitiendo cubrir grandes distancias manteniendo altas tasas de transmisión de información y permitiendo implementar complejas topologías donde un mismo computador por medio de un solo puerto puede controlar toda una red de dispositivos, sean estos iguales o totalmente disímiles.
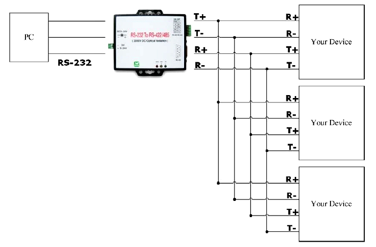
El convertidor SC-485I es un dispositovo bi-direccional, que de manera totalmente transparente convierte señales de RS-232 a RS-485 (ó RS-422) y vice-versa.
EL SC-485I permite realizar conexiones punto-a-punto, multi-punto y Simplex en distancias de hasta 1250 metros.
Por lo dicho, el SC-485I permite la creación de sistemas de comunicaciones confiables sobre grandes distancias utilizando conputadoras con hardware estándar. El mismo es totalmente transparente para las aplicaciones y no requiere de la instalación de ningún driver o software adicional. En otras palabras, la implementación de la conversión está realizada totalmente a nivel hardware del dispositivo y una aplicación escrita para utilizar una conexión RS-232 half duplex entre el host y el dispositivo controlado, se podrá seguir utilizando sin necesidad de realizarle ninguna modificación cuando se utiliza este convertidor de señal para conectar el dispositivo
Adicionalmente a lo dicho, el dispositivo cumple plenamente con las normas ROHS de protección ambiental, no conteniendo sustancias peligrosas para la preservación del medio ambiente, tales como plomo, mercurio, cromo hexavalente, etc. (ver www.rohs.gov.uk )
Características:
Fácil instalación, no requiriéndose complicadas configuraciones por parte del usuario, modificaciones de software ni complejos esquemas de cableado.
Capaz de transmitir en velocidades desde 300 bps hasta 115,2 Kbps
Las señales de la interface RS.232 están protegidas utilizando un mecanismo de acoplamiento óptico de las mismas con el resto de la electrónica del dispositivo
Protección contra sobre-corriente en todas las señales
Todas las señales de la interface RS-422/RS-485 tiene protección contra descargas de alta tensión (surge protection)
Tres leds indicadores: SYS (power), Rx, Tx
Se puede alimentar tanto sea por medio de una bornera de dos terminales con tornillos como por medio de una fuente estándar de alimentación de corriente continua con conector tipo plug.
Acepta un amplio rango de tensiones de alimentación de 9 a 24 V CC
Carcaza plástica de alto impacto apta para uso en ambientes industriales con "orejas" de sujeción por medio de tornillos a gabinetes, paredes, equipos, etc.
Especificaciones técnicas:
1 Puerta serial de conexión RS-232 usando conector estándar DB9 hembra
Puerto RS-232 con una aislación mínima de 3000 V CC con respecto a la alimentación (CC a CC opto-acopladas)
Las señales RS-232 están protegidas por medio de un acoplamiento óptico con la restante electrónica del dispositivo (mínimo 3000 V CC)
Todas las señales tienen una protección de hasta 15 kV contra descargas electroestáticas (ESD)
La alimentación está protegida contra eventuales errores de polaridad en la misma.
1 Puerta serial RS-422/RS-485 constituida por una bornera de 4 terminales ajustables por tornillos aceptando en cada terminal cables de un diámetro de hasta AWG 12
Auto-detección del modo RS-422 (4 hilos) y del modo RS-485 (2 hilos)
Velocidad soportada de 300 bps a 115,2 Kbps
Detección automática de la velocidad de la interface
Paridad, cantidad de bit de datos y bits de stop se configuran por autodetección sobre la interface
El conector RS-232 tiene activas las señales TX, RX y GND ( RTS y CTS puenteados entre si, lo mismo que DTR, DSR y DCD o sea éstas señales están configuradas como loop-back)
La interface RS-422 implementa las señales Tx+, Tx-, Rx+ y Rx-, todas ellas protegidas contra descargas (surge)
La interface RS-485 implementa las señales D+ y D- ambas con protección contra descargas (surge)
Resistor de terminación de 100 Ohm integrado dentro del dispositivo
El resistor de terminación es activable/desactivable por medio de microswitch
Alimentación aceptada en el rango de 9 V a 24 V CC con un consumo menor a los 150 mA (60 mA a 9 V CC) (consumo máximo < 2 W)
Máxima longitud del cable RS-485/RS-422 de 1250 m (4000 pies)
Cumple normas FCC y CE relativas a radiación electromagnética
Led indicadores:
Rojo para SYS-Power
Amarillo: Señal Rx
Verde : Señal Tx
Cumple normativa ROHS de protección ambiental
Rango de temperaturas de operación: 0°C a 70°C
Rango de temperaturas de almacenamiento: -10°C a 80°C
Rango de humedad relativa ambiente soportado: 5 a 95%, sin condensación
Dimensiones: 88 mm x 91 mm (67 sin considerar "orejas" de sujeción) x 27 mm
Peso: 94 gr
Diagrama esquemático del dispositivo y pin-out del conector RS-232 DB9:

Diagramas de conexión típicas:
RS-422 Punto a punto:
RS-485 Punto a punto:
RS-422 Punto a multipunto:
RS-485 Punto a multipunto:
Contenido del paquete:
Conversor de interface SC-485I
Manual del usuario - Guia de instalación (puede estar en formato electrónico sobre CD)